Martin Latal – Hlavný technický špecialista – profesionálny výber vybavenia na mieru
Martin Latal
Hlavný technický špecialista
Odpovie do 1 hodiny
SZ-STL5

Optika Kĺbový statív SZ-STL5 pre modulárnu sériu

0.00 Hodnotenie 0
356,00 EUR
Cena bez DPH
289,43 EUR
Doručenie do 10 apríla
Doprava od
0,00 EUR
14-dňová záruka vrátenia a výmeny
Martin Latal – Hlavný technický špecialista – profesionálny výber vybavenia na mieru
Martin Latal
Hlavný technický špecialista
Odpovie do 1 hodiny
Exkluzívne výhody pre našich zákazníkov
Nakupujte s istotou a exkluzívnymi výhodami od nás.

14 DNI

na vrátenie

Bezpečný nákup

Šifrované platby

Podpora

Po–Pi 9–18

Firemné nákupy

IČ DPH
  • Všetko o produkte
  • Popis
  • Parametre
  • Recenzie

Popis

Stojan OPTIKA SZ-STL5 je profesionálny flexibilný ramenový stojan určený pre stereomikroskopy používané v priemyselných a kontrolných aplikáciách. Pantografická konštrukcia s 360° rotáciou umožňuje presné polohovanie mikroskopu nad pracovnou plochou a poskytuje veľký pracovný dosah. Stojan je dodávaný s držiakom hlavy a fokusovacím mechanizmom a je možné ho upevniť pomocou stolovej svorky alebo nástenného držiaka.

Typické použitie

Priemyselná kontrola kvality, servis elektroniky, kontrola mechanických komponentov, montáž jemných dielov, analýza materiálov a všetky aplikácie, kde je potrebný veľký pracovný priestor pod stereomikroskopom.

Hlavné prednosti

  • Flexibilné rameno s rotáciou 360° — umožňuje presné nastavenie polohy mikroskopu nad veľkými alebo nepravidelnými objektmi.
  • Pantografická konštrukcia — veľký horizontálny dosah až približne 577 mm poskytuje dostatok pracovného priestoru.
  • Fokusovací mechanizmus — presné zaostrovanie pomocou ozubeného mechanizmu rack-and-pinion ovládaného z oboch strán.
  • Montáž na stôl alebo stenu — súčasťou je stolová svorka aj nástenný držiak pre flexibilnú inštaláciu pracoviska.
  • Nosnosť až približne 3–8 kg — vhodné pre profesionálne stereomikroskopické hlavice a príslušenstvo.
  • Kompaktný priestor pri nečinnosti — rameno je možné odsunúť mimo pracovnej plochy, čím sa uvoľní miesto na pracovnom stole.

Pre koho je model vhodný

  • Priemyselné výrobné prevádzky
  • Servisné a opravárenské pracoviská
  • Laboratóriá kontroly kvality
  • Technické a montážne dielne

Praktická výhoda ramenového stojana

Ramenový stojan umožňuje presun mikroskopu nad rôzne časti pracovnej plochy bez manipulácie so samotným objektom. To výrazne uľahčuje kontrolu veľkých vzoriek alebo dielov, ktoré by bolo pri klasickom stojane potrebné presúvať.

Presné mechanické parametre, maximálny dosah ramena a kompatibilitu s ďalšími komponentmi nájdete nižšie v sekcii Technické parametre.

Technické parametre

Pantografový stojan stereomikroskopu s držiakom hlavy a zaostrovacím mechanizmom pre priemyselné a kontrolné pracoviská

Kategória

Skupina produktuStojan pre stereomikroskop
SériaSZ Modular

Konštrukcia

Typ stojanaPantografové rameno (overhanging boom)
UchytenieStolová svorka a nástenný držiak
Držiak hlavyIntegrovaný s fokusovacím mechanizmom
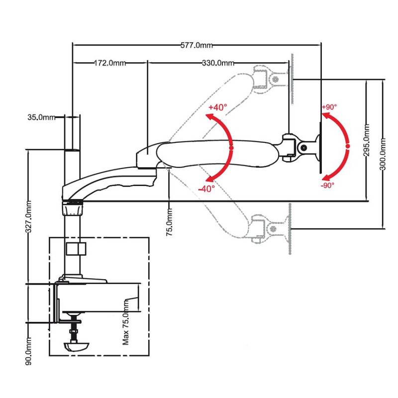
Priemer držiaka hlavyØ 76 mm
Priemer stĺpaØ 35 mm
Nosnosť3 – 8 kg

Zaostrovanie / mechanika

Typ mechanizmuHrubé zaostrovanie (rack and pinion)
Celkový zdvih zaostrovania50 mm
OvládanieObojstranné zaostrovacie kolieska
Regulácia tuhostiÁno

Pohyb ramena

Maximálne vysunutie577 mm
Horizontálne rameno820 mm
Vzdialenosť od stĺpa (zatvorené)75 mm
Otočný kĺb360° / 180° / 360°
Naklápanie±90°
Bočný výkyv±90°

Osvetlenie

Integrované osvetlenieNie
KompatibilitaExterné LED, halogénové alebo vláknové osvetľovače

Rozmery

Celková výška330 mm
Celková hĺbka880 mm
Hmotnosť4,8 kg

Balenie a príslušenstvo

Stolová svorkaÁno
Nástenný držiakÁno
Ochranný kryt proti prachuÁno
Návod na použitieDigitálna verzia (download)

Technické údaje podľa oficiálneho datasheetu výrobcu.

Recenzie zákazníkov

Nenašli sa žiadne príspevky

Používali ste tento produkt?

Povedzte nám o tom niečo a pomôžte ostatným urobiť správne rozhodnutie

Napísať recenziu
Odporúčané príslušenstvo
Optika Kĺbový statív SZ-STL5 pre modulárnu sériu
Optika Kĺbový statív SZ-STL5 pre modulárnu sériu
356,00 EUR
Cena bez DPH
289,43 EUR
Pridať do košíka